Elektryczne szyby - sterowanie, montaż, usterki
Moderator: Sebu$
-
GOTI
Każdą szybe z osobna otwierasz do samego końca (przytrzymając cały czas przycisk), a następnie zamykasz (przytrzymując przycisk) i czekasz po zamknięciu ok. 2-3 sek na charakterystyczne kliknięcie.cipel2 pisze:co to znaczy przyuczone???
Czynność powtarzasz na każdej szybie
Dodam, że u mnie nie trzeba otwierać szyb "na maxa" tylko na kilka cm po czym zamykam, przytrzymując przycisk i też jest
-
zafirlub
Witam.
Sytuacja: pęknięty bolczyk wkładki stacyjki. Rozkręciłem i wymieniłem stacyjkę- sam wkład., złożyłem wszystko. Odpala...ale...przestały działać szyby elektryczne i lusterka. Sprawdzam wszystkie bezpieczniki po kolei. Wszystkie OK. Po sprawdzeniu nie dość że szyby dalej nie działają to jeszcze zapaliła się kontrolka chłodnicy i nie chce zgasnąć. Jakieś pomysły drodzy forumowicze?
Sytuacja: pęknięty bolczyk wkładki stacyjki. Rozkręciłem i wymieniłem stacyjkę- sam wkład., złożyłem wszystko. Odpala...ale...przestały działać szyby elektryczne i lusterka. Sprawdzam wszystkie bezpieczniki po kolei. Wszystkie OK. Po sprawdzeniu nie dość że szyby dalej nie działają to jeszcze zapaliła się kontrolka chłodnicy i nie chce zgasnąć. Jakieś pomysły drodzy forumowicze?
-
PeeKa
Witam wszystkich.
Mój przypadek jest taki: przekładałem komplet skorodowanych drzwi na będące w dobrym stanie. Dawca-anglik, tylne szyby na korbkę, moje komplet elektryka. Po przekładce nie działa sterowanie szyb tylnych drzwi, zarówno prawych jak i lewych, nie świeci podświetlenie przycisków przy tylnych drzwiach. Nie da się sterować ani z mastera kierowcy ani z tylnych drzwi. Przekładane były kompletne wiązki z mojego auta, bezpieczniki dobre, kable między drzwiami a słupkami bez przetarć. Gdzie szukać przyczyny?
Edit: w przednich drzwiach wiazki przełożone z europejczyka, ale nie z moich starych i mogły pochodzić z auta z elektryką tylko z przodu - czy to będzie właściwy trop?
Druga sprawa: centralny dla PT tylko zamyka i to nie zawsze, nie otwiera wcale zarówno z kluczyka jak i manualnie. LT działa bez żadnych problemów. Tutaj przypuszczam, że przyczyną może być słaby siłownik wzięty od dawcy - czy dobrze kombinuję?
Mój przypadek jest taki: przekładałem komplet skorodowanych drzwi na będące w dobrym stanie. Dawca-anglik, tylne szyby na korbkę, moje komplet elektryka. Po przekładce nie działa sterowanie szyb tylnych drzwi, zarówno prawych jak i lewych, nie świeci podświetlenie przycisków przy tylnych drzwiach. Nie da się sterować ani z mastera kierowcy ani z tylnych drzwi. Przekładane były kompletne wiązki z mojego auta, bezpieczniki dobre, kable między drzwiami a słupkami bez przetarć. Gdzie szukać przyczyny?
Edit: w przednich drzwiach wiazki przełożone z europejczyka, ale nie z moich starych i mogły pochodzić z auta z elektryką tylko z przodu - czy to będzie właściwy trop?
Druga sprawa: centralny dla PT tylko zamyka i to nie zawsze, nie otwiera wcale zarówno z kluczyka jak i manualnie. LT działa bez żadnych problemów. Tutaj przypuszczam, że przyczyną może być słaby siłownik wzięty od dawcy - czy dobrze kombinuję?
-
PeeKa
Po usunieciu opisanych problemow dodam dla potomnych, ze moje przypuszczenia w obydwu przypadkach byly sluszne.Witam wszystkich.
Mój przypadek jest taki: przekładałem komplet skorodowanych drzwi na będące w dobrym stanie. Dawca-anglik, tylne szyby na korbkę, moje komplet elektryka. Po przekładce nie działa sterowanie szyb tylnych drzwi, zarówno prawych jak i lewych, nie świeci podświetlenie przycisków przy tylnych drzwiach. Nie da się sterować ani z mastera kierowcy ani z tylnych drzwi. Przekładane były kompletne wiązki z mojego auta, bezpieczniki dobre, kable między drzwiami a słupkami bez przetarć. Gdzie szukać przyczyny?
Edit: w przednich drzwiach wiazki przełożone z europejczyka, ale nie z moich starych i mogły pochodzić z auta z elektryką tylko z przodu - czy to będzie właściwy trop?
Druga sprawa: centralny dla PT tylko zamyka i to nie zawsze, nie otwiera wcale zarówno z kluczyka jak i manualnie. LT działa bez żadnych problemów. Tutaj przypuszczam, że przyczyną może być słaby siłownik wzięty od dawcy - czy dobrze kombinuję?
-
bartekCWA
Witam,
problem mam następujący:
Nie mogę otworzyć tylnej lewej szyby ze sterowania drzwi kierowcy ani z tylnych lewych drzwi - natomiast kiedy zamykam auto lewa tylna szyba sama z siebie się otwiera.
Gdy się otworzy jest możliwe zamknięcie z przycisku bądź z kluczyka lecz powtórnie z przycisku otworzyć już jej nie można.
O co z tym może chodzić, jak temu zaradzić? Dziwna sytuacja.
Pomożecie?
problem mam następujący:
Nie mogę otworzyć tylnej lewej szyby ze sterowania drzwi kierowcy ani z tylnych lewych drzwi - natomiast kiedy zamykam auto lewa tylna szyba sama z siebie się otwiera.
Gdy się otworzy jest możliwe zamknięcie z przycisku bądź z kluczyka lecz powtórnie z przycisku otworzyć już jej nie można.
O co z tym może chodzić, jak temu zaradzić? Dziwna sytuacja.
Pomożecie?
-
Painball
Panowie, a schemat ułożenia przewodów w wiązce drzwi? Bo u mnie coś jest ewidentnie nabrojone w tylnych prawych. Po obu stronach kable powstawiałem nowe, wszystko wg kolorów, a tył prawy jak szyba nie dawała znaku życia tak nie daje dalej. Głośniki za to zaczęły działać - zakłócenia mają i tweeter piszczy razem z obrotami silnika. Tylko w tych drzwiach.
-
Janus
Pod tym adresem masz schematy Zafiry A model 2001 online:Painball pisze:Panowie, a schemat ułożenia przewodów w wiązce drzwi?.
http://pl.scribd.com/doc/29238228/Elect ... 001#scribd
Jak klinkniesz na obrazek ze schematem prawym klawiszem i wybierzesz (u mnie Firefox), klikniesz "Zapisz obrazek jako..." możesz zapisać cały obrazek do folderu na dysku i będziesz miał pliki JPG ze schematami - niestety bez opisów
Ostatnio zmieniony 22 lut 2015, 10:44 przez Janus, łącznie zmieniany 2 razy.
-
Painball
-
Janus
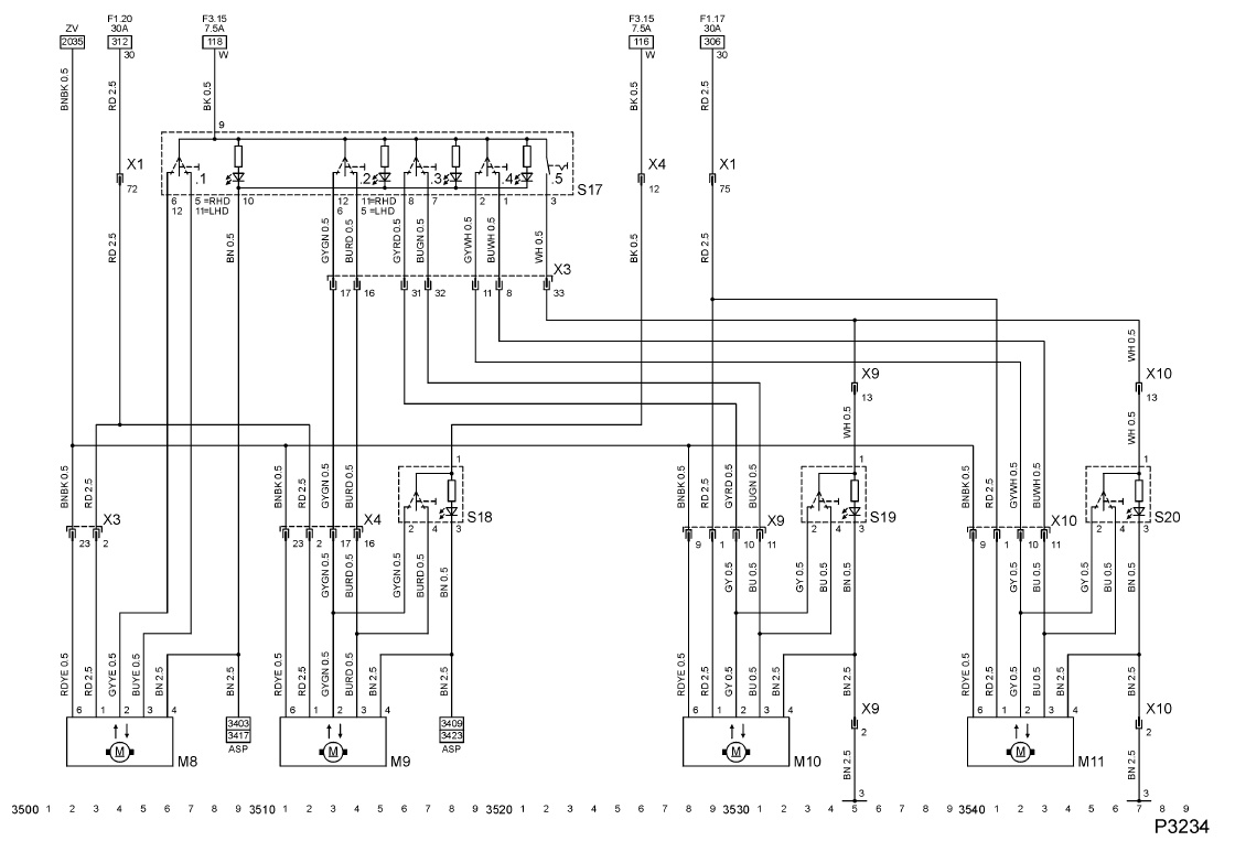
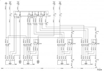
Wtyczka X9 - drzwi tył lewe, X10 - tył prawePainball pisze:PodziękowałTak na to patrze i czarna magia - posiadam totalne podstawy elektroniki i schematy mnie przerażają. Interesuje mnie rozkład kabli we wtyczce. A znalazłem tam info że to wtyczka X9/X10 i nic więcej
Te małe numerki przy kablach w złączach X9, X10 to numery pinów. Musisz przeanalizować 3 schematy które załączam jako obrazki tutaj. Chodzi o to, że we wtyczce masz kable głośnikowe, centralnego zamka i szyby - stąd 3 schematy.
Ostatnio zmieniony 22 lut 2015, 11:25 przez Janus, łącznie zmieniany 1 raz.
-
Marcin1769
- Bodek
- Zafiromaniak
- Posty: 16394
- Rejestracja: 27 paź 2025, 19:03
- Imię: Bodek
- Lokalizacja: Niebo
- Auto: Opel Zafira
- Model: ZB
- Oznaczenie silnika: Z19DTH
- Gender:
Sprawdź wiązkę kabliMarcin1769 pisze:C.D walki z Zosia![]()
Idealny temat jak dla mnie, mam problem
Centralny zamek z kluczyka i pilota nie rygluj drzwi z tylu, nie działają z tylu głośniki oraz nie otwiera się tylna lewa szyby ani z pozycji kierowcy ani z pozycji pasażera. Jakaś wskazówka?
