Moduł Bluetooth schemat
Moderator: Sebu$
-
radek12
Moduł Bluetooth schemat
Witam
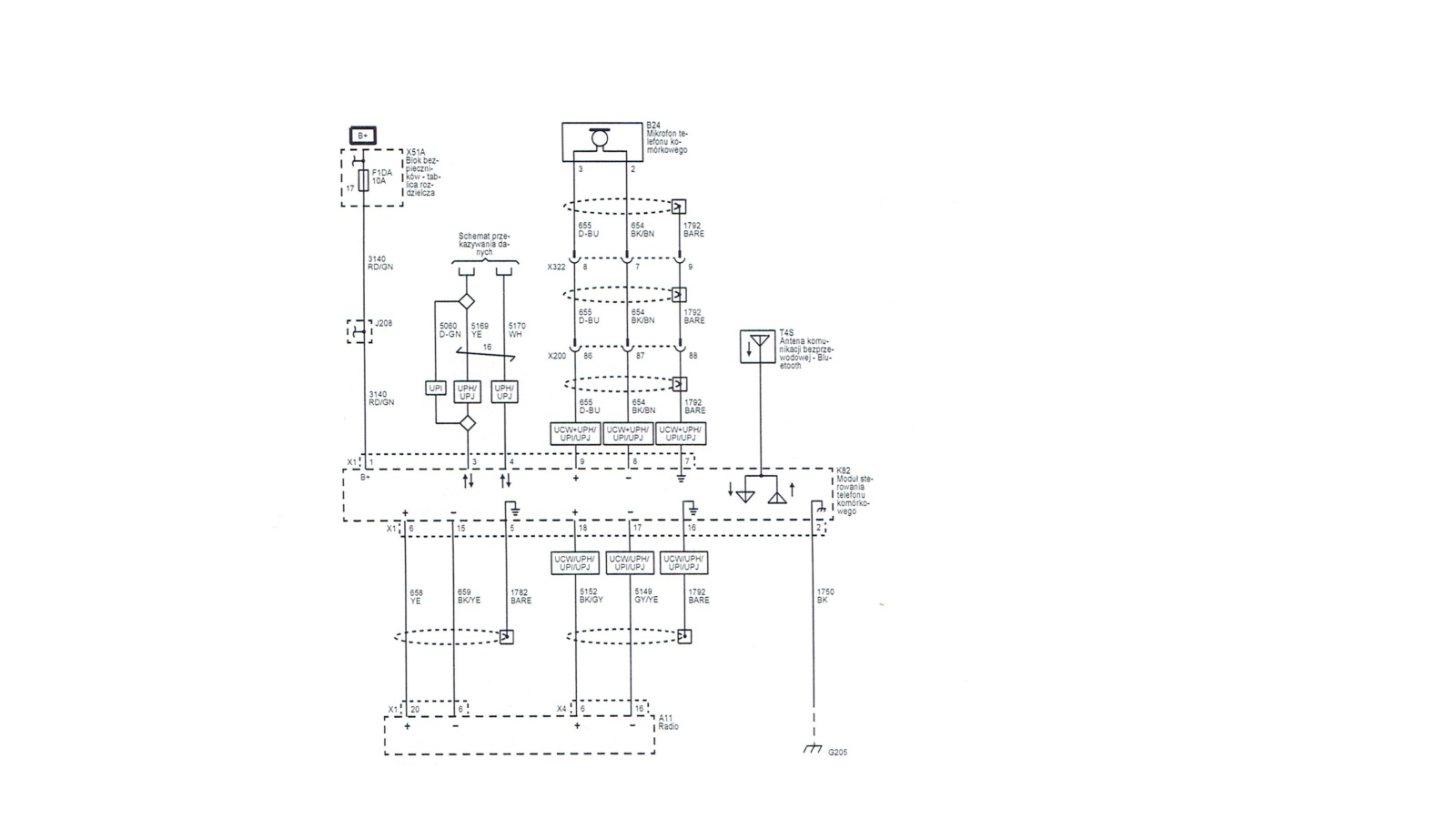
Dokładam moduł bluetooth (p/n: 13353284) którego w moim aucie brak. Radio CD400+ Wiem, że trzeba będzie zaprogramować radio przez MDI aby wszystko działało. Jestem na etapie robienia połączeń pomiędzy modułem a radiem.
Znalazłem, że z wtyczki 18 pin (PBT-GF20) modułu jest następujące połączenie:
-pin 1 + z akumulatora do pin 44 wtyczki X1 radia
-pin 2 - z akumulatora do pin 38 wtyczki X1 radia
-pin 3 + CANbus(mid)-średniej prędkości szyna
-pin 4 - CANbus(mid)-średniej prędkości szyna
-pin 5 - ekran przewodu
-pin 6 + Mobile Telephone Voice Signal do pin 20 wtyczki X1 radia
-pin 15 - Mobile Telephone Voice Signal do pin 6 wtyczki X1 radia
-pin 7 - ekran przewodu
-pin 8 - Mobile Phone Microphone
-pin 9 + Mobile Phone Microphone
Nie wiem dokąd biegną dwa przewody z modułu pin 3 i pin 4(CANbus), czy ktoś wie albo ma schemat?
Przy okazji czy ktoś wie czy w modelach benzynowych 1.4T po 2015 roku był dokładany moduł bluetooth czy całe radio już z wbudowanym bluetooth? Rozmawiałem z handlarzem, który twierdzi, że sparował telefon z radiem i działa przesył muzyki-audio streaming (A2DP). Podobno fabrycznie montowane moduły nie mają funkcji A2DP a nie sądzę żeby ktoś w aucie na gwarancji zmieniał całe radio na retrokit, tym bardziej, że widzę, że w modelach benzynowych 1.4T po 2015 w wersji standardowej jest regułą że jest tam bluetooth. Na angielskiej stronie Vauxhalla w konfiguratorze kupna nowego auta, w zakładce radio jest też, że radio CD400+ posiada bluetooth z audio streamingiem.
Spis części:
- moduł bluetooth Opel 13353284
- uchwyt do modułu Opel 12768522
- mikrofon Opel 13242355
- wtyk modułu RNS 18pin, do kupienia stąd: http://www.tme.eu/pl/details/800007/zla ... 4carmedia/ za 38,63zł wraz z przesyłką, stąd: http://allegro.pl/gniazdo-wtyk-18pin-rn ... 62379.html za 23zł z przesyłką lub z innego źródła wpisując w wyszukiwarkę: Gniazdo wtyk 18PIN RNS
Dokładam moduł bluetooth (p/n: 13353284) którego w moim aucie brak. Radio CD400+ Wiem, że trzeba będzie zaprogramować radio przez MDI aby wszystko działało. Jestem na etapie robienia połączeń pomiędzy modułem a radiem.
Znalazłem, że z wtyczki 18 pin (PBT-GF20) modułu jest następujące połączenie:
-pin 1 + z akumulatora do pin 44 wtyczki X1 radia
-pin 2 - z akumulatora do pin 38 wtyczki X1 radia
-pin 3 + CANbus(mid)-średniej prędkości szyna
-pin 4 - CANbus(mid)-średniej prędkości szyna
-pin 5 - ekran przewodu
-pin 6 + Mobile Telephone Voice Signal do pin 20 wtyczki X1 radia
-pin 15 - Mobile Telephone Voice Signal do pin 6 wtyczki X1 radia
-pin 7 - ekran przewodu
-pin 8 - Mobile Phone Microphone
-pin 9 + Mobile Phone Microphone
Nie wiem dokąd biegną dwa przewody z modułu pin 3 i pin 4(CANbus), czy ktoś wie albo ma schemat?
Przy okazji czy ktoś wie czy w modelach benzynowych 1.4T po 2015 roku był dokładany moduł bluetooth czy całe radio już z wbudowanym bluetooth? Rozmawiałem z handlarzem, który twierdzi, że sparował telefon z radiem i działa przesył muzyki-audio streaming (A2DP). Podobno fabrycznie montowane moduły nie mają funkcji A2DP a nie sądzę żeby ktoś w aucie na gwarancji zmieniał całe radio na retrokit, tym bardziej, że widzę, że w modelach benzynowych 1.4T po 2015 w wersji standardowej jest regułą że jest tam bluetooth. Na angielskiej stronie Vauxhalla w konfiguratorze kupna nowego auta, w zakładce radio jest też, że radio CD400+ posiada bluetooth z audio streamingiem.
Spis części:
- moduł bluetooth Opel 13353284
- uchwyt do modułu Opel 12768522
- mikrofon Opel 13242355
- wtyk modułu RNS 18pin, do kupienia stąd: http://www.tme.eu/pl/details/800007/zla ... 4carmedia/ za 38,63zł wraz z przesyłką, stąd: http://allegro.pl/gniazdo-wtyk-18pin-rn ... 62379.html za 23zł z przesyłką lub z innego źródła wpisując w wyszukiwarkę: Gniazdo wtyk 18PIN RNS
Ostatnio zmieniony 30 gru 2016, 09:53 przez radek12, łącznie zmieniany 19 razy.
-
rysiek0009
-
radek12
Pin 3(żółty) z modułu biegnie do pinu 35 wtyczki X1 radiarysiek0009 pisze:Witam, czy dowiedziałeś się już radku12 gdzie biegną piny 3 i 4? Właśnie jestem na etapie składania i nie wiem co z nimi zrobić. Pozdrawiam
Pin 4(biały) z modułu biegnie do pinu 36 wtyczki X1 radia
Są to piny do połączenia GM-LAN i w przypadku radia CD400+ nie jest konieczne aby były podłączone. Jest potrzeba kiedy zamienia się radio z np CD300 lub CD400+ na radio z nawigacją CD500NAVI
Przy okazji dołączam schemat wyprowadzeń z modułu bluetooth.
Ostatnio zmieniony 25 sty 2017, 10:57 przez radek12, łącznie zmieniany 2 razy.
-
rysiek0009
-
radek12
Tak muszą być ekranowane aby nie było szumów, trzasków ogólnie zakłóceń.rysiek0009 pisze:Dziękuję za pomoc i wyczerpującą odpowiedź. Rozumiem, że przewody idące do mikrofonu, jak również 6 i 15 pin z modułu BT muszą być ekranowane. Czy nie orientujesz się, jak wygląda sprawa z mikrofonem, czy musi być oryginalny GM, czy podejdzie z jakiejś innej marki samochodu? Pozdrawiam
Gdzieś na forum ktoś sam zrobił mikrofon ale najlepszą jakość daje oryginał.
-
kuligr
U mnie dodatkowo we wtyczce 18 pinowej są przewody w następujących gniazdach : Pin 12 (żółty) i Pin 13 (biały) oraz Pin 16 (czarny ekranowy), Pin 17 (czarno-szary) i Pin 18 (żółto-szary). Czy 16,17,18 trzeba podpiąć do wtyczki X4 w "A11 Radio" (wg schematu) ? I do czego są 12,13 ?
Tak dla zobrazowania jak wyglądają przewody we wtyczce dołączam zdjęcia.
Tak dla zobrazowania jak wyglądają przewody we wtyczce dołączam zdjęcia.
Ostatnio zmieniony 16 mar 2019, 12:14 przez kuligr, łącznie zmieniany 2 razy.
-
rafi_bydgoszcz
Witam,
Czy ten moduł BT będzie również pasował do mojej Zafiry?
Spotkałem się z różnymi numerami modułów.
Mam w swoim radio NAVI600
Z góry dzięki za info.
Czy ten moduł BT będzie również pasował do mojej Zafiry?
Spotkałem się z różnymi numerami modułów.
Mam w swoim radio NAVI600
Z góry dzięki za info.