Nr Katalogowe części pod konkretny VIN - KLIMA I CHŁODZENIA
-
ceki70
- Bywalec
- Posty: 197
- Rejestracja: 22 cze 2016, 16:05
- Imię: ceki70
- Lokalizacja: Gorzów Wlkp.
- Auto: Zafira B 1,8 Cosmo
- Model: ZB
- Oznaczenie silnika: Z18XER
- Gender:
Moja Zosia ma jeden wentylator , który załącza się przy 105 stopniach , a jak klima włączona to wyjeeeee niemiłosiernie, jak spr. ładowanie na wyświetlaczu było normalne , wzorowe.
ceki70
Przy pisaniu towarzysz mi dysleksja, dysortografia, dysgrafia,

Przy pisaniu towarzysz mi dysleksja, dysortografia, dysgrafia,
-
Beca
Witam.
Sprawdzone jest 1 wentylator (a zgodnie ze schematem elektrycznym) z obwodem regulacji obrotów na przekaźnikach K13 ( I bieg- poprzez spadek napięcia na dwu rezystorach ),
K12 (II bieg - poprzez spadek na 1 rezystorze),
K11 ( III bieg bezpośrednio zasilany wentylator).
Jutro muszę podjechać gdzieś na kanał i sprawdzić wtyczkę w wentylatorze.
Jeśli jest 4 pin to prawdopodobnie walnięty rezystor wentylatora.
Całe szczęście już można go dostać odrębnie, lecz należy lutować do wentylator

Sprawdzone jest 1 wentylator (a zgodnie ze schematem elektrycznym) z obwodem regulacji obrotów na przekaźnikach K13 ( I bieg- poprzez spadek napięcia na dwu rezystorach ),
K12 (II bieg - poprzez spadek na 1 rezystorze),
K11 ( III bieg bezpośrednio zasilany wentylator).
Jutro muszę podjechać gdzieś na kanał i sprawdzić wtyczkę w wentylatorze.
Jeśli jest 4 pin to prawdopodobnie walnięty rezystor wentylatora.
Całe szczęście już można go dostać odrębnie, lecz należy lutować do wentylator
-
Jolka
Poprosze o numer katalogowy panel klimatyzacji VIN W0L0AHM75A2109015
- Pszczyna
- Zafiromaniak
- Posty: 2466
- Rejestracja: 22 maja 2010, 17:57
- Imię: Dariusz
- Lokalizacja: Oberschlesien
- Auto: Zafira B 1,9
- Model: ZB
- Oznaczenie silnika: Z19DT
- Gender:
- Wiek: 58
Kod OEM Nazwa Informacje
1 6854065 SPRĘŻARKA, ZESP., KLIMATYZACJA (IDENT WM) (NLS.- UŻYCIE 93196861 18 54 530) (CZĘŚĆ ZAMIENNA 93190260 / 68 54 098 OPEL, R1580058 VAUXHALL) (NR PRODUKCYJNY 13286088)
NRF 32427
VALEO 813102
NISSENS 890006
NISSENS 89041
DELPHI TSP0155802
MAXGEAR AC361116
MAHLE ACP 4 000S
LUCAS ACP557
VAN WEZEL 3700K437
MAHLE ACP 4 000P
VALEO 813602
ABAKUS 037-023-0006
HC-CARGO 240878
MEAT & DORIA
1 6854065 SPRĘŻARKA, ZESP., KLIMATYZACJA (IDENT WM) (NLS.- UŻYCIE 93196861 18 54 530) (CZĘŚĆ ZAMIENNA 93190260 / 68 54 098 OPEL, R1580058 VAUXHALL) (NR PRODUKCYJNY 13286088)
NRF 32427
VALEO 813102
NISSENS 890006
NISSENS 89041
DELPHI TSP0155802
MAXGEAR AC361116
MAHLE ACP 4 000S
LUCAS ACP557
VAN WEZEL 3700K437
MAHLE ACP 4 000P
VALEO 813602
ABAKUS 037-023-0006
HC-CARGO 240878
MEAT & DORIA
Mój garaż ----- viewtopic.php?f=87&t=32387&p=477253#p477253
- Ostap
- Zafiromaniak
- Posty: 1677
- Rejestracja: 15 lip 2017, 21:52
- Imię: Łukasz
- Lokalizacja: Wwa
- Auto: Zafira
- Model: B
- Oznaczenie silnika: Z19DT
- Gender:
- Wiek: 43
Bardzo dziękuję za informację.
Czy istnieje możliwość odkodowania daty produkcji kompresora ze zdjęcia?
Czy istnieje możliwość odkodowania daty produkcji kompresora ze zdjęcia?
- Załączniki
-
- Screenshot_2022-06-18-21-34-22-389_pl.allegro_compress97.jpg (254.49 KiB) Przejrzano 930 razy
- Pszczyna
- Zafiromaniak
- Posty: 2466
- Rejestracja: 22 maja 2010, 17:57
- Imię: Dariusz
- Lokalizacja: Oberschlesien
- Auto: Zafira B 1,9
- Model: ZB
- Oznaczenie silnika: Z19DT
- Gender:
- Wiek: 58
16 18 427 / 13346493 SPRĘŻARKA,ZESP.,KLIMATYZACJA,ZESTAW (JNS - STOSOWAĆ 13414018 // 16 18 495)
Mój garaż ----- viewtopic.php?f=87&t=32387&p=477253#p477253
- Pszczyna
- Zafiromaniak
- Posty: 2466
- Rejestracja: 22 maja 2010, 17:57
- Imię: Dariusz
- Lokalizacja: Oberschlesien
- Auto: Zafira B 1,9
- Model: ZB
- Oznaczenie silnika: Z19DT
- Gender:
- Wiek: 58
GM 13346493
Opel 16 18 427
Fiat 16 18 427 lub 1618427
GM 13414018-- ten zazwyczaj :https://www.autoczescionline24.pl/oenum ... 14018.html
Opel 16 18 495
Opel 16 18 427
Fiat 16 18 427 lub 1618427
GM 13414018-- ten zazwyczaj :https://www.autoczescionline24.pl/oenum ... 14018.html
Opel 16 18 495
Mój garaż ----- viewtopic.php?f=87&t=32387&p=477253#p477253
- Krzysiek SJZ
- Świeżak
- Posty: 14
- Rejestracja: 30 lis 2018, 17:16
- Imię: Krzysiek
- Lokalizacja: SJZ
- Auto: Zafira B 1.9 CDTI Panorama
- Model: ZB
- Oznaczenie silnika: Z19DT
- Gender:
Dzień dobry, potrzebuje poznać nr sprężarki klimatyzacji z mojej Zafirze B. Mój VIN W0L0AHM7562121753
- Pszczyna
- Zafiromaniak
- Posty: 2466
- Rejestracja: 22 maja 2010, 17:57
- Imię: Dariusz
- Lokalizacja: Oberschlesien
- Auto: Zafira B 1,9
- Model: ZB
- Oznaczenie silnika: Z19DT
- Gender:
- Wiek: 58
68 54 098 // 93190260 SPRĘŻARKA,ZESP.,KLIMATYZACJA,WYMIENNY(-A,-E) (CORE RETURN NO. 95 18 060) (OBSŁUGUJE IDENTYFIKATORY PRODUKCYJNE WM)
Mój garaż ----- viewtopic.php?f=87&t=32387&p=477253#p477253
- Kasztek
- Posty: 2
- Rejestracja: 14 gru 2022, 11:00
- Imię: Waldemar
- Lokalizacja: Bydgoszcz
- Auto: Zafira B 1.9 CDTI
- Model: ZB
- Oznaczenie silnika: Z19DTH
- Gender:
Witam
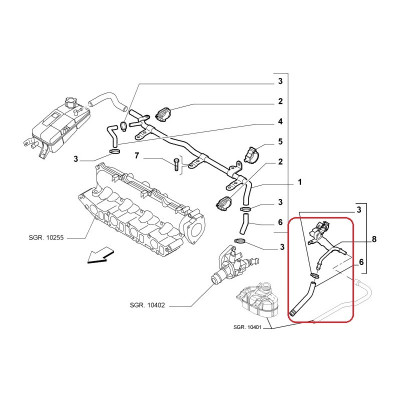
Potrzebuję poznać nr magistrali wody w Zafirce. Moja magistrala jest już na tyle skorodowana, że nie idzie nic odczytać. Czy jest możliwość sprawdzenia po numerze VIN ?
nr VIN: W0L0AHM75AG019252
Potrzebuję poznać nr magistrali wody w Zafirce. Moja magistrala jest już na tyle skorodowana, że nie idzie nic odczytać. Czy jest możliwość sprawdzenia po numerze VIN ?
nr VIN: W0L0AHM75AG019252
- Pszczyna
- Zafiromaniak
- Posty: 2466
- Rejestracja: 22 maja 2010, 17:57
- Imię: Dariusz
- Lokalizacja: Oberschlesien
- Auto: Zafira B 1,9
- Model: ZB
- Oznaczenie silnika: Z19DT
- Gender:
- Wiek: 58
Jeżeli chodzi o tzw. puzon
13 38 763 ///93179122 RURKA,CHŁODNICA,WYLOT (JNS - STOSOWAĆ 55196452 13 38 336)
⤷ 13 38 336 ///55196452 RURKA,CHŁODNICA,WYLOT (JNS - STOSOWAĆ 55563692 13 38 577)
13 38 289 ///55566009 RURKA,CHŁODNICA,WYLOT
13 38 763 ///93179122 RURKA,CHŁODNICA,WYLOT (JNS - STOSOWAĆ 55196452 13 38 336)
⤷ 13 38 336 ///55196452 RURKA,CHŁODNICA,WYLOT (JNS - STOSOWAĆ 55563692 13 38 577)
13 38 289 ///55566009 RURKA,CHŁODNICA,WYLOT
Mój garaż ----- viewtopic.php?f=87&t=32387&p=477253#p477253
- Pszczyna
- Zafiromaniak
- Posty: 2466
- Rejestracja: 22 maja 2010, 17:57
- Imię: Dariusz
- Lokalizacja: Oberschlesien
- Auto: Zafira B 1,9
- Model: ZB
- Oznaczenie silnika: Z19DT
- Gender:
- Wiek: 58
Czy to 63 37 237 55206879 RURA,ODGAZOWUJĄCA
Mój garaż ----- viewtopic.php?f=87&t=32387&p=477253#p477253