Podniesienie szyby na krótko (bezpośrednio przy silniczku)

Czyli problemy z prądem w Opel Zafira (osprzęt elektryczny, włączniki, przekaźniki, szyby elektryczne, oświetlenie itp.)

Moderator: Sebu$

Wiadomość
Autor
ninjaczyjt
Posty: 3
Rejestracja: 11 maja 2023, 13:03
Imię: ninjacvzyjt
Lokalizacja: Polska
Auto: Opel Zafira A 1.8 16V benzyna/gaz 116KM
Model: ZA
Oznaczenie silnika: X18XE1

Podniesienie szyby na krótko (bezpośrednio przy silniczku)

#1 Post autor: ninjaczyjt »

Na wstępie witam wszystkich forumowiczów.

Przeszukałem tematy wątków i nie znalazłem interesującej mnie odpowiedzi.
Otóż nie podnosi mi się szyba w tylnych lewych drzwi w mojej Zosi A 1.8 16 V benzyna 116 KM. W dół słychać, że silniczek się włącza.
Wiem, że na 99% dotyczy to przerwanych kabli w wiązce, ale nie zawsze ma się czas to robić na postoju :P
Interesuje mnie czy po szybkim demontażu osłony drzwi i odsłonięciu kabli można tam jakoś odłączyć wtyczkę do silnika szyby i podłączyć się na krótko (mam zapasowy akumulator w bagażniku :P) i podnieść tą szybę.
A teraz co prawda w domu jestem z tym autem, ale pasuje mi jutro jechać, a nie mam czasu teraz bawić się wiązką kabli. Szybę mam opuszczoną i chciałbym na szybko/krótko ją podnieść, a kablami zająć się później za kilka dni :P
Czyli jeśli można jakoś na krótko się podpiąć do wtyczki przy silniczku podnoszenia/opuszczania szyby
to interesuje mnie które piny odpowiadają za podniesienie szyby.
Awatar użytkownika
Pszczyna
Zafiromaniak
Posty: 2466
Rejestracja: 22 maja 2010, 17:57
Imię: Dariusz
Lokalizacja: Oberschlesien
Auto: Zafira B 1,9
Model: ZB
Oznaczenie silnika: Z19DT
Gender:
Wiek: 58

#2 Post autor: Pszczyna »

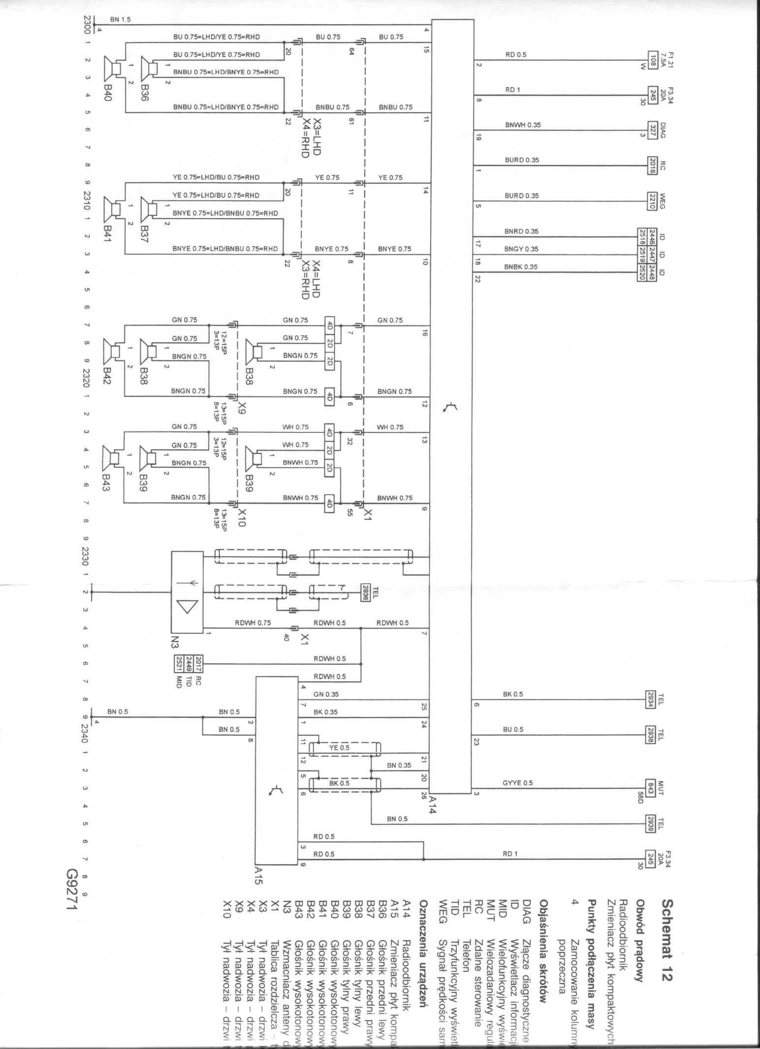
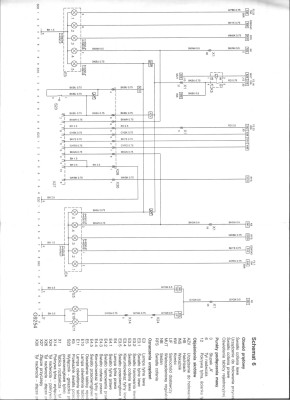
Opis pinów w przyłączu przy drzwiach

Zamiast napięcia 12V z wyprowadzenia 12 można to pobrać z wyprowadzenia 1 . Tym sposobem możesz obsługiwać podnoszenie szyb lokalnie
Załączniki
a8c7398241299b77gen.jpg
5f338d2eb73d0fa7.jpg
Awatar użytkownika
Pszczyna
Zafiromaniak
Posty: 2466
Rejestracja: 22 maja 2010, 17:57
Imię: Dariusz
Lokalizacja: Oberschlesien
Auto: Zafira B 1,9
Model: ZB
Oznaczenie silnika: Z19DT
Gender:
Wiek: 58

#3 Post autor: Pszczyna »

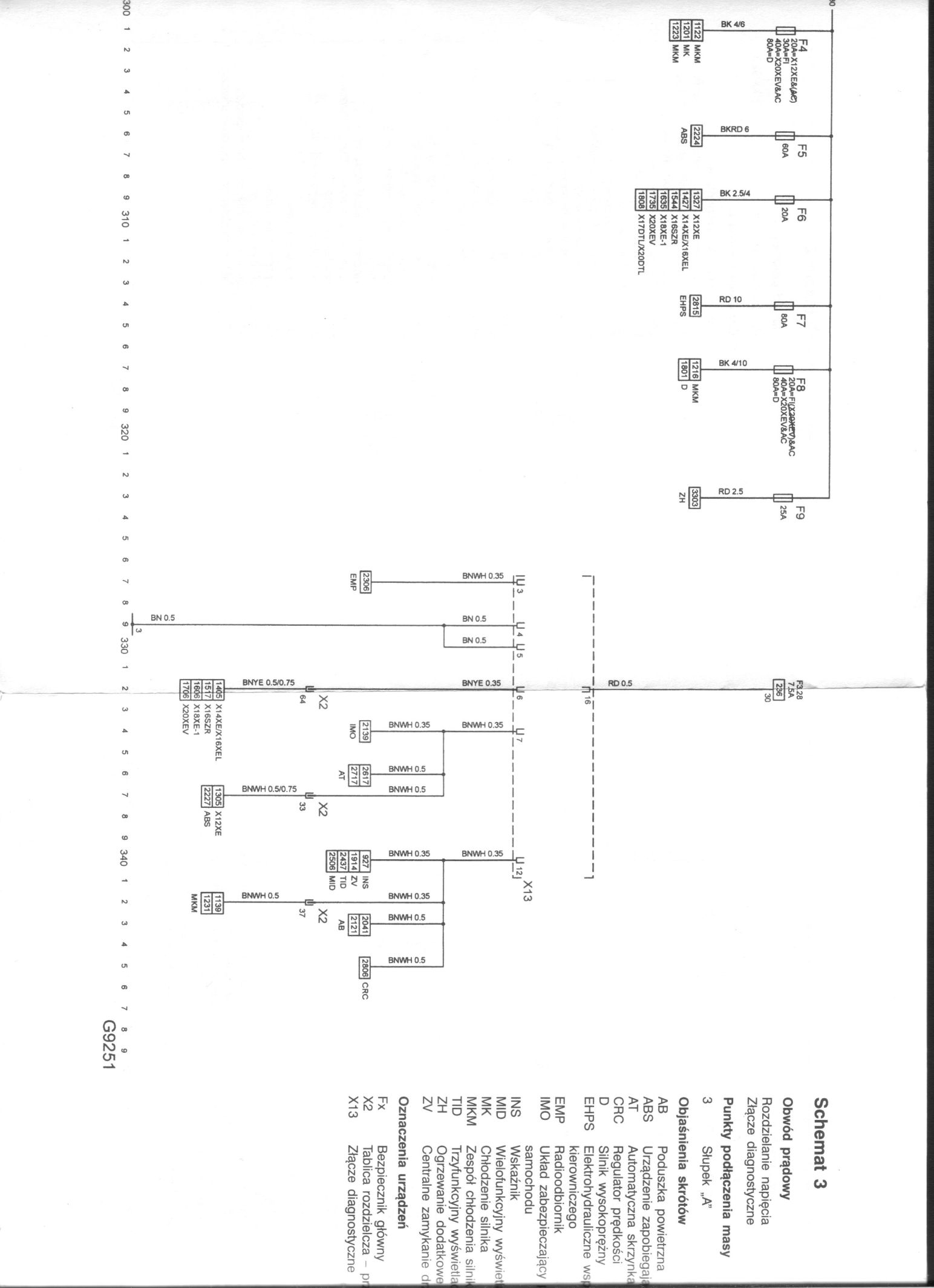
Opis pinów w przyłączu przy drzwiach
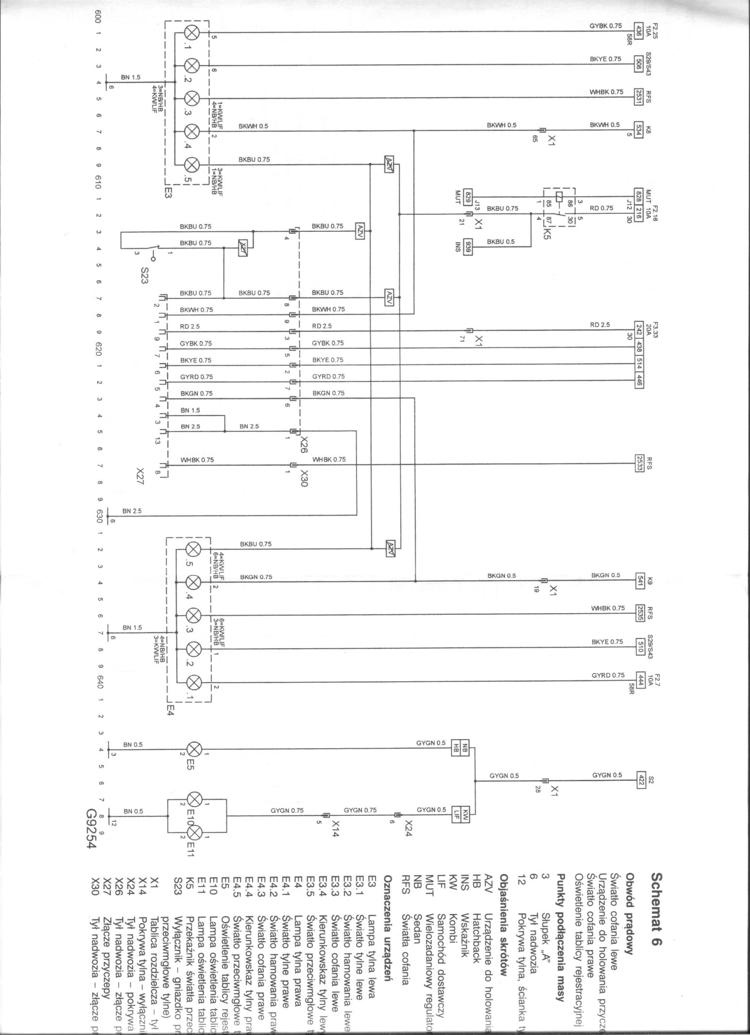
A tu rozpiska pinów:
1. Szaro-zielony => podnoszenie szyby lewej tył (pin 2)
2. Czarno-biały => do przekaźnika ogrzewania lusterek (styk 87)
3. Niebieski => lusterko elektryczne prawe (pin 2)
4. Szary => lusterko elektryczne prawe (pin 1)
5.
6. Szaro-zielony => podnoszenie szyby prawej tył (pin 2)
7. Czerwono-żółty => wyłącznik blokady antywłamaniowej drzwi kierowcy (pin 1)
8. Brązowo-czerwony => silnik centralnego zamka (pin 4)
9. Niebiesko-czerwony => opuszczanie szyby lewej tył (pin3)
10. Czarno-czerwony => silnik centralnego zamka (pin 2)
11. Czarny => zasilanie elektrycznych lusterek z bezpiecznika F7 10A
12. Brązowy => masa elektrycznych lusterek
13. Niebieski => głośnik przedni lewy
14. Czerwono-żółty => zasilanie silnika elektrycznych szyb
15. Czarno-niebieski => wyłącznik blokady antywłamaniowej drzwi kierowcy (pin2)
16. Brązowo-biały => silnik centralnego zamka (pin 3)
17. Niebiesko-czerwony => opuszczanie szyby prawej przód (pin 3)
18. Szaro-zielony => podnoszenie szyby prawej przód (pin 2)
19. Niebiesko-czerwony => opuszczanie szyby prawej tył (pin 3)
20. Czarno-czerwony => lusterko elektryczne prawe (pin 3)
21. Czerwono-biały => wyłącznik bezpieczeństwa (blokada) szyb tylnych (pin 3 wyłącznika)
22. Brązowo-niebieski => głośnik przedni lewy
23.
24.
25. Czarno-żółty => silnik centralnego zamka (pin 6)
26. Biało-czarny => do przekaźnika ogrzewania lusterek (styk E)
27. Brązowo-czarny => domykanie szyb do sterownika centralnego zamka
28.
29. Brązowo => masa elektrycznych szyb i centralnego zamka
30. Czarny => zasilanie przełącznika elektrycznych szyb z bezpiecznika F7 10A
Załączniki
6c5fb1e9dd935737.jpg
54614e0eea6bc950.jpg
0dfb8b0ff91d6603gen.jpg
Awatar użytkownika
Pszczyna
Zafiromaniak
Posty: 2466
Rejestracja: 22 maja 2010, 17:57
Imię: Dariusz
Lokalizacja: Oberschlesien
Auto: Zafira B 1,9
Model: ZB
Oznaczenie silnika: Z19DT
Gender:
Wiek: 58

#4 Post autor: Pszczyna »

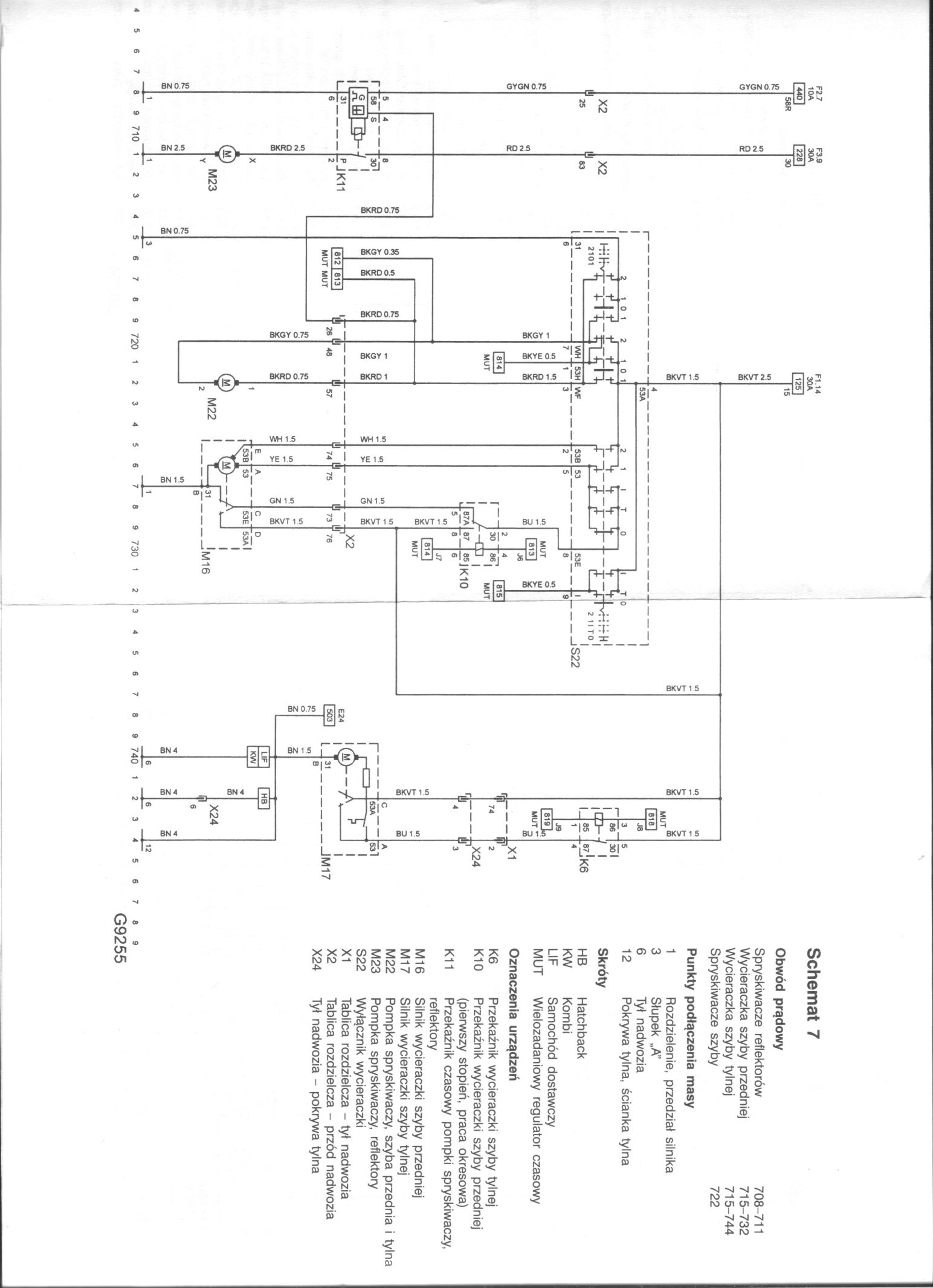
Tu cała instalacja
Załączniki
4.jpg
3.jpg
2.jpg
1.jpg
Awatar użytkownika
Pszczyna
Zafiromaniak
Posty: 2466
Rejestracja: 22 maja 2010, 17:57
Imię: Dariusz
Lokalizacja: Oberschlesien
Auto: Zafira B 1,9
Model: ZB
Oznaczenie silnika: Z19DT
Gender:
Wiek: 58

#5 Post autor: Pszczyna »

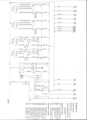
Część -2
Załączniki
7.jpg
6.jpg
5.jpg
Awatar użytkownika
Pszczyna
Zafiromaniak
Posty: 2466
Rejestracja: 22 maja 2010, 17:57
Imię: Dariusz
Lokalizacja: Oberschlesien
Auto: Zafira B 1,9
Model: ZB
Oznaczenie silnika: Z19DT
Gender:
Wiek: 58

#6 Post autor: Pszczyna »

Część-3
Załączniki
12.jpg
11.jpg
10.jpg
9.jpg
8.jpg
ninjaczyjt
Posty: 3
Rejestracja: 11 maja 2023, 13:03
Imię: ninjacvzyjt
Lokalizacja: Polska
Auto: Opel Zafira A 1.8 16V benzyna/gaz 116KM
Model: ZA
Oznaczenie silnika: X18XE1

#7 Post autor: ninjaczyjt »

Na wstępie chciałbym podziękować za tak liczne i cenne odpowiedzi 😆
A teraz opiszę jak poradziłem sobie z problemem gdy trzeba "szybko" podnieść szybę (np. w trasie) w naszej ZA a nie reaguje na przycisk podnoszenia. Oczywiście warunkiem jest to, że będzie sprawny silniczek szyby 😝
Udało mi się podnieść szybę na krótko i nie trzeba do tego wcale dodatkowego akumulatora.
Wystarczyło nożykiem lekko oskórować czerwony kabelek od wtyczki silniczka szyby (tego pod tapicerką drzwi przy silniczku) i to samo zrobić na tej samej wysokości z kabelkiem obok (u mnie cienki szary) a następnie je zewrzeć.
Szyba się zasunęła 😆
Opuszczanie awaryjne to pewnie ten dalszy cienki kabelek, ale nie musiałem sprawdzać, bo u mnie to działa z przycisku przełącznika.
Tak więc jeśli was to by spotkało w drodze to jest to sposób na doraźne zaradzenie na jechanie z otwartą szybą np. w deszczu.
Można ją wtedy zamknąć dojechać do domu i w odpowiednim dla nas czasie zająć się szukaniem przerwy w obwodzie 😆
Oczywiście musimy mieć przy sobie przynajmniej śrubokręt, żeby odkręcić śrubki tapicerki drzwi, bo inaczej do kabli wtyczki silnika szyby się nie dostaniemy,
ale zawsze jest to jakieś tymczasowe rozwiązanie 👍

Problem rozwiązany
ODPOWIEDZ

Wróć do „Elektryka i elektronika”