Nr Katalogowe części pod konkretny VIN - KLIMA I CHŁODZENIA
Moderator: Sebu$
- Pszczyna
- Zafiromaniak
- Posty: 2466
- Rejestracja: 22 maja 2010, 17:57
- Imię: Dariusz
- Lokalizacja: Oberschlesien
- Auto: Zafira B 1,9
- Model: ZB
- Oznaczenie silnika: Z19DT
- Gender:
- Wiek: 58
CZUJNIK, TEMPERATURY, PŁYN CHŁODZĄCY SILNIKA
OEM: 1338369
55591002
SKU: RR68-OJJ1000EBY
https://www.autoczescionline24.pl/oenumber/1338369.html
OEM: 1338369
55591002
SKU: RR68-OJJ1000EBY
https://www.autoczescionline24.pl/oenumber/1338369.html
Mój garaż ----- viewtopic.php?f=87&t=32387&p=477253#p477253
- Pszczyna
- Zafiromaniak
- Posty: 2466
- Rejestracja: 22 maja 2010, 17:57
- Imię: Dariusz
- Lokalizacja: Oberschlesien
- Auto: Zafira B 1,9
- Model: ZB
- Oznaczenie silnika: Z19DT
- Gender:
- Wiek: 58
63 38 045
55353807
CZUJNIK,TEMPERATURY,PŁYN CHŁODZĄCY SILNIKA,OBUDOWA TERMOSTATU (JNS - STOSOWAĆ 55591401 13 38 370)
55353807
CZUJNIK,TEMPERATURY,PŁYN CHŁODZĄCY SILNIKA,OBUDOWA TERMOSTATU (JNS - STOSOWAĆ 55591401 13 38 370)
Mój garaż ----- viewtopic.php?f=87&t=32387&p=477253#p477253
- tOmki
- Zafiromaniak
- Posty: 538
- Rejestracja: 09 wrz 2013, 16:32
- Imię: Tomasz
- Lokalizacja: Słupsk
- Auto: Zafira
- Model: ZC
- Oznaczenie silnika: B14NET
Szukam numeru dolnego węża wychodzącego ze zbiornika płynu chłodzącego dla W0LPD9EC2H1064748 .
Tutaj padło podobne pytanie ale bez odpowiedzi:
viewtopic.php?p=466951#p466951
Z góry dzięki

Tutaj padło podobne pytanie ale bez odpowiedzi:
viewtopic.php?p=466951#p466951
Z góry dzięki
ZB 
ZC
ZC
- Pszczyna
- Zafiromaniak
- Posty: 2466
- Rejestracja: 22 maja 2010, 17:57
- Imię: Dariusz
- Lokalizacja: Oberschlesien
- Auto: Zafira B 1,9
- Model: ZB
- Oznaczenie silnika: Z19DT
- Gender:
- Wiek: 58
Jak się rozeznasz który to jest to podam nr.
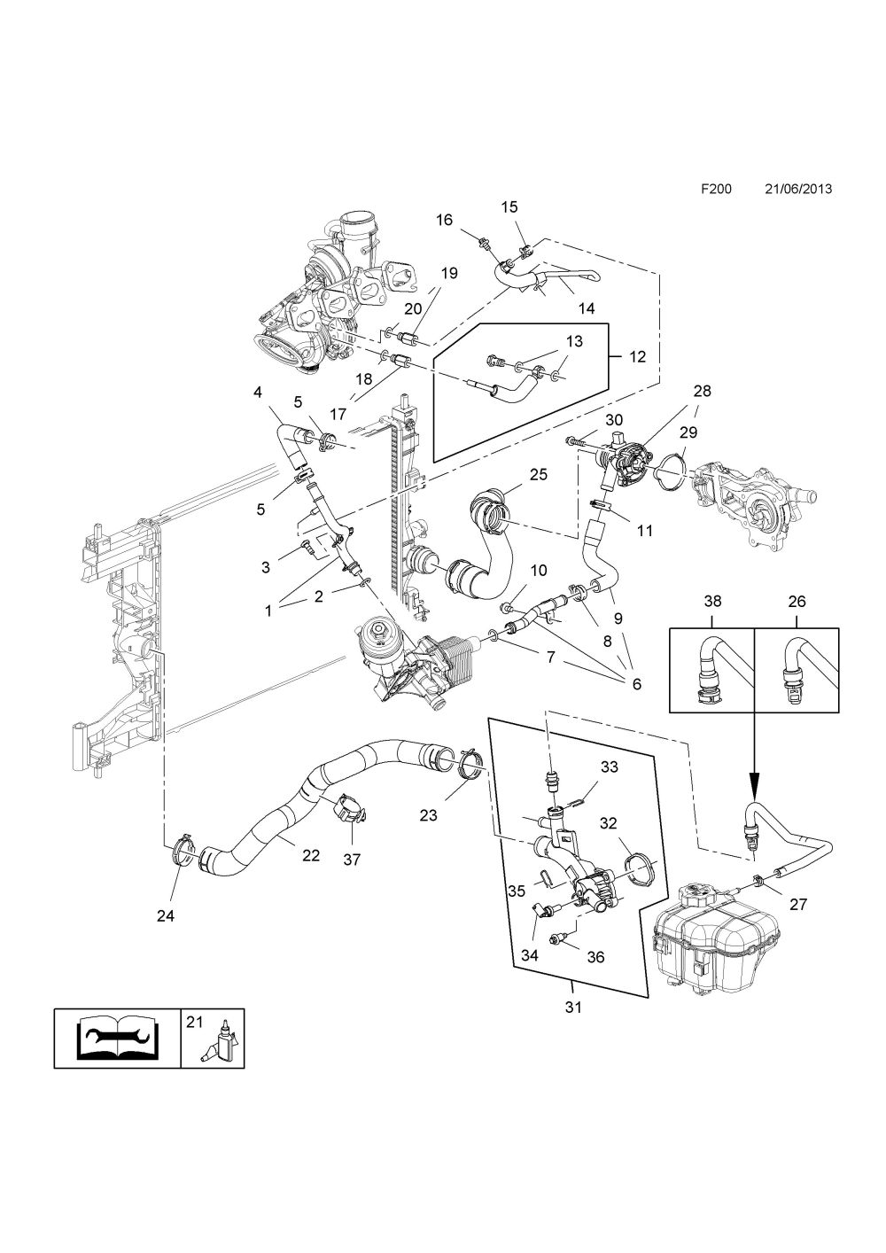
1 650****36 555****82 RURA,FILTR OLEJU I CHŁODNICA,WLOT 1
7 650****43 555****40 -USZCZELNIENIE,PRZEWÓD,WYLOT CHŁODNICY OLEJU AR
3 565****61 553****20 ŚRUBA,PRZEWÓD,WLOT CHŁODNICY OLEJU 1
4 650****38 555****52 WĄŻ,ZESP.,CHŁODNICA OLEJU,WLOT 1
8 209****14 905****90 -ZACISK,23MM,WYLOT (NR PRODUKCYJNY 90572968) 1
6 650****44 555****42 WĄŻ,ZESP.,CHŁODNICA OLEJU,WYLOT (JNS - STOSOWAĆ 55583808 6 50 133) 1
9 650****69 555****81 -WĄŻ,PRZEWÓD WYLOTOWY CHŁODNICY OLEJU (JNS - STOSOWAĆ 55583807 6 50 142) 1
16 200****18 111****91 ŚRUBA,TYPU TORX,M6 X 10,PRZEWÓD TURBOŁADOWARKI 1
11 209****30 905****94 ZACISK,27MM,WYLOT 1
12 860****59 555****31 PRZEWÓD,ZESP.,WODA,TURBOŁADOWARKA,ZASILANIE 1
20 860****62 555****00 -USZCZELKA PIERŚCIENIOWA,ZŁĄCZE,POWRÓT 1
14 860****58 555****67 PRZEWÓD,ZESP.,WODA,TURBOŁADOWARKA,POWRÓT 1
27 209****18 905****42 ZACISK,WĄŻ,14MM ŚREDN.,WĘŻYK, ODGAZOWYWANIE 1
19 860****63 555****27 ŁĄCZNIK RUROWY,POWRÓT 1
21 194****69 905****10 PASTA MOCUJĄCA,WEICON ANTI-SEIZE,120 GRAMÓW AR
22 133****47 132****79 WĄŻ,WLOT CHŁODNICY 1
24 209****48 131****12 ZACISK,42MM ŚREDN.,WĄŻ,WLOT CHŁODNICY (CHŁODNICA) 1
25 133****96 132****35 WĄŻ,WYLOT CHŁODNICY 1
37 133****88 920****90 ZACISK,WĄŻ (NR PRODUKCYJNY 9158562) 1
26 133****60 132****47 WĘŻYK, ODGAZOWYWANIE 1
38 133****29 134****85 WĘŻYK, ODGAZOWYWANIE (JNS - STOSOWAĆ 13251447 13 36 360) (IDENT EJ6) 1
⤷ 133****60 132****47 WĘŻYK, ODGAZOWYWANIE
1 650****36 555****82 RURA,FILTR OLEJU I CHŁODNICA,WLOT 1
7 650****43 555****40 -USZCZELNIENIE,PRZEWÓD,WYLOT CHŁODNICY OLEJU AR
3 565****61 553****20 ŚRUBA,PRZEWÓD,WLOT CHŁODNICY OLEJU 1
4 650****38 555****52 WĄŻ,ZESP.,CHŁODNICA OLEJU,WLOT 1
8 209****14 905****90 -ZACISK,23MM,WYLOT (NR PRODUKCYJNY 90572968) 1
6 650****44 555****42 WĄŻ,ZESP.,CHŁODNICA OLEJU,WYLOT (JNS - STOSOWAĆ 55583808 6 50 133) 1
9 650****69 555****81 -WĄŻ,PRZEWÓD WYLOTOWY CHŁODNICY OLEJU (JNS - STOSOWAĆ 55583807 6 50 142) 1
16 200****18 111****91 ŚRUBA,TYPU TORX,M6 X 10,PRZEWÓD TURBOŁADOWARKI 1
11 209****30 905****94 ZACISK,27MM,WYLOT 1
12 860****59 555****31 PRZEWÓD,ZESP.,WODA,TURBOŁADOWARKA,ZASILANIE 1
20 860****62 555****00 -USZCZELKA PIERŚCIENIOWA,ZŁĄCZE,POWRÓT 1
14 860****58 555****67 PRZEWÓD,ZESP.,WODA,TURBOŁADOWARKA,POWRÓT 1
27 209****18 905****42 ZACISK,WĄŻ,14MM ŚREDN.,WĘŻYK, ODGAZOWYWANIE 1
19 860****63 555****27 ŁĄCZNIK RUROWY,POWRÓT 1
21 194****69 905****10 PASTA MOCUJĄCA,WEICON ANTI-SEIZE,120 GRAMÓW AR
22 133****47 132****79 WĄŻ,WLOT CHŁODNICY 1
24 209****48 131****12 ZACISK,42MM ŚREDN.,WĄŻ,WLOT CHŁODNICY (CHŁODNICA) 1
25 133****96 132****35 WĄŻ,WYLOT CHŁODNICY 1
37 133****88 920****90 ZACISK,WĄŻ (NR PRODUKCYJNY 9158562) 1
26 133****60 132****47 WĘŻYK, ODGAZOWYWANIE 1
38 133****29 134****85 WĘŻYK, ODGAZOWYWANIE (JNS - STOSOWAĆ 13251447 13 36 360) (IDENT EJ6) 1
⤷ 133****60 132****47 WĘŻYK, ODGAZOWYWANIE
- Załączniki
-
- bbbbbb.jpg (122.48 KiB) Przejrzano 589 razy
Mój garaż ----- viewtopic.php?f=87&t=32387&p=477253#p477253
- Pszczyna
- Zafiromaniak
- Posty: 2466
- Rejestracja: 22 maja 2010, 17:57
- Imię: Dariusz
- Lokalizacja: Oberschlesien
- Auto: Zafira B 1,9
- Model: ZB
- Oznaczenie silnika: Z19DT
- Gender:
- Wiek: 58
Co do przewodów A14NET/B14NET ------https://youtu.be/kUTemZIcAMo
Czy to ten na zdjęciu ----(13408385) lecz w sklepach wyskakuje jako przelewowy.
Pasuje do Opel Astra J 1.4 (2010-2016), Zafira C Tourer 1.4 (2012-2021), Cascada 1.4 (2013-2019)
✔ Kody silnika: A14NEL, A14NET, B14NEL, B14NET, D14NEL, D14NET
✔ Numery OEM: 1336360, 1336629, 13251447, 13408385
✔ Od termostatu do zbiornika wyrównawczego
Czy to ten na zdjęciu ----(13408385) lecz w sklepach wyskakuje jako przelewowy.
Pasuje do Opel Astra J 1.4 (2010-2016), Zafira C Tourer 1.4 (2012-2021), Cascada 1.4 (2013-2019)
✔ Kody silnika: A14NEL, A14NET, B14NEL, B14NET, D14NEL, D14NET
✔ Numery OEM: 1336360, 1336629, 13251447, 13408385
✔ Od termostatu do zbiornika wyrównawczego
- Załączniki
-
- 6cb8c0a940c48b21d1a1b7df8931.jpg (149.85 KiB) Przejrzano 589 razy
Mój garaż ----- viewtopic.php?f=87&t=32387&p=477253#p477253