Nr Katalogowe części pod konkretny VIN - PODWOZIE

Zawieszenie, koła, podwozie, układ kierowniczy, hamulce, opony itp.

Moderator: Sebu$

Wiadomość
Autor
rafaellowarszaw
Mieszkaniec
Posty: 235
Rejestracja: 04 kwie 2015, 01:34
Imię: Rafał
Lokalizacja: Warszawa
Auto: Opel Zafira A 1.8 NJOY
Model: ZA
Oznaczenie silnika: Z18XE
Gender:
Wiek: 39

#616 Post autor: rafaellowarszaw »

Dobra.
Po wielu poszukiwaniach na oparta pl znalazłem że Walker ma w nr.OEM także ten z aukcji allegro.(Bosal)

Serdeczne dzięki kolego za rozkodowanie i pomoc :)
zafira3city
Świeżak
Posty: 19
Rejestracja: 30 lis 2023, 09:39
Imię: Marcin
Lokalizacja: Trójmiasto
Auto: Zafira A 1,8 125PS
Model: ZA
Oznaczenie silnika: X18XE

#617 Post autor: zafira3city »

W0L0TGF7512014650
Witam.
Potrzebował bym numery tulei wózka silnika, śrub wózka, obejm drążka stabilizatora i śrub :)
Z góry dziękuję
Awatar użytkownika
Pszczyna
Zafiromaniak
Posty: 2466
Rejestracja: 22 maja 2010, 17:57
Imię: Dariusz
Lokalizacja: Oberschlesien
Auto: Zafira B 1,9
Model: ZB
Oznaczenie silnika: Z19DT
Gender:
Wiek: 58

#618 Post autor: Pszczyna »

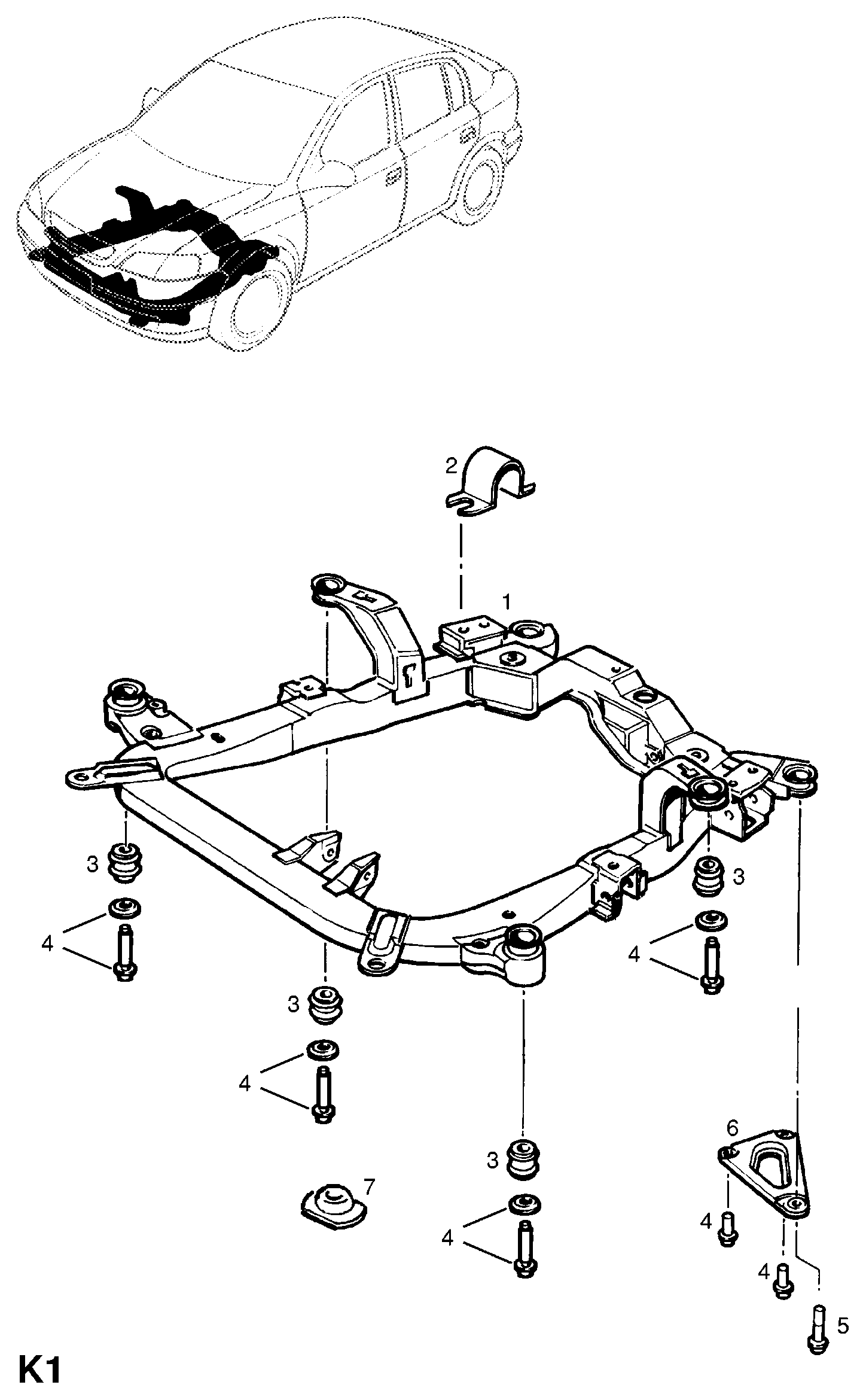
Chodzi o ramę pomocniczą tzw. sanki?
Załączniki
375475.png
zafira3city
Świeżak
Posty: 19
Rejestracja: 30 lis 2023, 09:39
Imię: Marcin
Lokalizacja: Trójmiasto
Auto: Zafira A 1,8 125PS
Model: ZA
Oznaczenie silnika: X18XE

#619 Post autor: zafira3city »

Pszczyna pisze: 22 kwie 2024, 16:02 Chodzi o ramę pomocniczą tzw. sanki?
Tak
Awatar użytkownika
Pszczyna
Zafiromaniak
Posty: 2466
Rejestracja: 22 maja 2010, 17:57
Imię: Dariusz
Lokalizacja: Oberschlesien
Auto: Zafira B 1,9
Model: ZB
Oznaczenie silnika: Z19DT
Gender:
Wiek: 58

#620 Post autor: Pszczyna »

Więc:
Nr. 1
POPRZECZNICA, ZESP., OŚ PRZEDNIA (OPRÓCZ RAYONG) (JNS - STOSOWAĆ 95515158 3 02 227) (NR PRODUKCYJNY 13110840)
Kod OEM: 302044
POPRZECZNICA, ZESP., OŚ PRZEDNIA (RAYONG) (NLS. - BRAK ZAMIENNIKA) (NR PRODUKCYJNY 92102767)
Kod OEM: 302111
POPRZECZNICA, ZESP., OŚ PRZEDNIA (RAYONG) (NLS. - BRAK ZAMIENNIKA)
Kod OEM: 302047
2.
ZACISK, ŁOŻYSKO, WAŁEK STABILIZATORA PRZEDNIEGO
Kod OEM: 350385
3
TULEJA TŁUMIĄCA, POPRZECZNICA OSI PRZEDNIEJ, PRZEDNI(-A, -E)
Kod OEM: 302275
TULEJA TŁUMIĄCA, POPRZECZNICA OSI PRZEDNIEJ, TYLNY(-A, -E) (JNS - STOSOWAĆ 13107328 3 02 067)
Kod OEM: 302276
4
ŚRUBA, TYPU TORX, M12 X 73, POPRZECZNICA DO SPODU NADWOZIA (JNS - STOSOWAĆ 13158053 3 02 932)
Kod OEM: 302931
5
ŚRUBA, TYPU TORX, M12 X 70, POPRZECZNICA DO SPODU NADWOZIA
Kod OEM: 2005648
ŚRUBA, TYPU TORX, M12 X 30, POPRZECZNICA DO SPODU NADWOZIA
Kod OEM: 2005067
6
WSPORNIK, MONTAŻOWY OSI PRZEDNIEJ DO DOLNEJ STRONY NADWOZIA, PRAWY(-A, -E)
Kod OEM: 302022
WSPORNIK, MONTAŻOWY OSI PRZEDNIEJ DO DOLNEJ STRONY NADWOZIA, LEWY(-A, -E)
Kod OEM: 302038
7
NAKRĘTKA, KLATKOWA, M12 X 1.5, POPRZECZNICA DO DOŁU NADWOZIA
Kod OEM: 302926
rafaellowarszaw
Mieszkaniec
Posty: 235
Rejestracja: 04 kwie 2015, 01:34
Imię: Rafał
Lokalizacja: Warszawa
Auto: Opel Zafira A 1.8 NJOY
Model: ZA
Oznaczenie silnika: Z18XE
Gender:
Wiek: 39

#621 Post autor: rafaellowarszaw »

Witam.

VIN: W0L0TGF7542049582

Potrzebuję nr. części :
-piasta koła prawego / lewego
- czujnik ABS
- pompa ABS


Z góry dziękuję
Rafał
Awatar użytkownika
Pszczyna
Zafiromaniak
Posty: 2466
Rejestracja: 22 maja 2010, 17:57
Imię: Dariusz
Lokalizacja: Oberschlesien
Auto: Zafira B 1,9
Model: ZB
Oznaczenie silnika: Z19DT
Gender:
Wiek: 58

#622 Post autor: Pszczyna »

-Piasta koła prawego / lewego
Według VIN G62= MOCOWANIE KOŁA NA 5 ŚRUB
PIASTA PRZEDNIA, ZESP., Z CZUJNIKIEM PRĘDKOŚCI OSI (5 śrub) Kod OEM: 1603211
KAMOKA 5500059
200022/A.B.S.
713644060/FAG
9333029K/GSP
24164 FEBI BILSTEIN
3513 VKBA SKF
2333/MG MAXGEAR
6146520010 MEYLE
201043 OPTIMAL
===================================
- Czujnik ABS -----------opisywany jako czujnik prędkości koła
CZUJNIK ABS PRZÓD L=P

12 36 304 OPEL
9 114 603 GENERAL MOTORS

JP Group 1297100600
FEBI BILSTEIN 29606,
HITACHI 131626, KAWE 8180 24101,
MAXGEAR 25-0011,
RIDEX 1189S0003,
Stark SKSSP-1130002,
SWAG 40 92 9606,
TRISCAN 8180 24101,
VEMO V40-72-0342,
WILMINK GROUP WG1429962
ASHUKI 139-307A
MTE-THOMSON 73020
OPEL 090560092
STANDARD 17161
ESEN SKV 17SKV233
FAE 76003
AUTLOG AS4241
OPEL 12 36 282
ERA 550710B
ERA 550710HQ
VAUXHALL 1236304 Sensor, speed / RPM
VAUXHALL 9114603
INTERMOTOR 17161
MTE-THOMSON 73020
MOTAQUIP LVEP141
C.I. XREV676
STANDARD 17161
AUTOMEGA 3012360304
FAE 76003
STANDARD CS1760
STANDARD LCS494
LUCAS ELECTRICAL SEB1725
TRISCAN 525-30710 Sensor,
============================

- Pompa ABS Trzeba taką:
FX3= PROGRAM STABILNOŚCI ELEKTRONICZNEJ
JL9=ABS
NW9= KONTROLA TRAKCJI
--------------------------------
BOSCH 0 265 202 458
VAUXHALL 9192240
GENERAL MOTORS 9192240
5530105 OPEL
BOSCH 0 265 202 492
VAUXHALL 9194884
HOLDEN 9194884
VAUXHALL 9201627
HOLDEN 9201627
UKŁAD HYDRAULICZNY ABS (DLA PROGRAMU STABILIZACJI ELEKTRONICZNEJ) (OPRÓCZ AFRYKI POŁUDNIOWEJ) (NR PRODUKCYJNY 9191966)
(BOSCH 0265220585) (JNS - STOSOWAĆ 9201631 ////55 30 115)
(BOSCH 0265202480)
Awatar użytkownika
oli
Świeżak
Posty: 12
Rejestracja: 07 maja 2016, 10:46
Imię: Robek
Lokalizacja: Busko
Auto: Zafira A
Model: ZA
Oznaczenie silnika: Z18XE
Gender:

#623 Post autor: oli »

Cześć. W0L0TGF7532164739
Przewód hamulcowy sztywny lewy przód. Nigdzie nie mogę znaleźć długości.
Proszę o numer części.
Robek
Awatar użytkownika
Pszczyna
Zafiromaniak
Posty: 2466
Rejestracja: 22 maja 2010, 17:57
Imię: Dariusz
Lokalizacja: Oberschlesien
Auto: Zafira B 1,9
Model: ZB
Oznaczenie silnika: Z19DT
Gender:
Wiek: 58

#624 Post autor: Pszczyna »

PRZEWÓD, HAMULCOWY, 6.0 MM ŚR.ZEW., POKRYTY TWORZYWEM, JEDNOSTKA SERWA I POMPA HAMULCOWA, PRZEDNI(-A, -E), KIEROWNICA PO LEWEJ (DLA PROGRAMU STABILIZACJI ELEKTRONICZNEJ) (IDENT XR)
Kod OEM: 562090
562090 OPEL
9225728 GENERAL MOTORS
OPEL 9225728
9225730 GENERAL MOTORS Ten jak na zdjęciu



Ten jest cały miedziany pokryty tworzywem.
PRZEWÓD,HAMULCOWY,6.0 MM ŚR.ZEW.,POKRYTY TWORZYWEM,JEDNOSTKA SERWA I POMPA HAMULCOWA,PRZEDNI(-A,-E),KIEROWNICA PO PRAWEJ (DLA PROGRAMU STABILIZACJI ELEKTRONICZNEJ) (IDENT YN)
GM 9225730
5562228 OPEL
Załączniki
6229d60e417c83b9974a5307806a.jpg
Awatar użytkownika
oli
Świeżak
Posty: 12
Rejestracja: 07 maja 2016, 10:46
Imię: Robek
Lokalizacja: Busko
Auto: Zafira A
Model: ZA
Oznaczenie silnika: Z18XE
Gender:

#625 Post autor: oli »

Dzięki za Twoją robotę.
Robek
rafaellowarszaw
Mieszkaniec
Posty: 235
Rejestracja: 04 kwie 2015, 01:34
Imię: Rafał
Lokalizacja: Warszawa
Auto: Opel Zafira A 1.8 NJOY
Model: ZA
Oznaczenie silnika: Z18XE
Gender:
Wiek: 39

#626 Post autor: rafaellowarszaw »

Witam ponownie...
Poproszę o nr. Części: przewód do czujnika ABS przód

Vin W0L0TGF7542049582


Z góry dziękuję
Rafał
Awatar użytkownika
Pszczyna
Zafiromaniak
Posty: 2466
Rejestracja: 22 maja 2010, 17:57
Imię: Dariusz
Lokalizacja: Oberschlesien
Auto: Zafira B 1,9
Model: ZB
Oznaczenie silnika: Z19DT
Gender:
Wiek: 58

#627 Post autor: Pszczyna »

WIĄZKA,CZUJNIK OBROTÓW OSI,PRZEDNI(-A,-E) (DLA ABS) (JNS - STOSOWAĆ 9131387 ----- 62 96 805)
WIĄZKA,CZUJNIK OBROTÓW OSI,PRZEDNI(-A,-E) (DLA ABS)
szukaj MZ3

9131387
https://allegro.pl/oferta/gm-przewod-wi ... 5623445041

6295903 OPEL opisywana jako czujnik osi nie wiadomo dlaczego
http://www.yedekparcagm.com/urun_3035_o ... 60543.html
GM 90306635
GM 90182801
530780 OPEL
https://ovoko.pl/czesci-samochodowe/imp ... okEALw_wcB

https://ovoko.pl/czesci-samochodowe/keg ... 0aEALw_wcB
checkengine
Posty: 2
Rejestracja: 13 cze 2024, 22:33
Imię: Wojtek
Lokalizacja: Poznań
Auto: Zafira B 1.9 CDTI 150KM
Model: ZB
Oznaczenie silnika: Z19DTH

#628 Post autor: checkengine »

Dzień dobry! Szukam sprężyn przednich do Zafiry B 1.9 CDTI 150KM Z19DTH.

VIN W0L0AHM756G041791

Jestem również ciekaw - gdzie mógłbym znaleźć taką informację na własną rękę?

Z góry dziękuję za pomoc.
Wojtek
Awatar użytkownika
Pszczyna
Zafiromaniak
Posty: 2466
Rejestracja: 22 maja 2010, 17:57
Imię: Dariusz
Lokalizacja: Oberschlesien
Auto: Zafira B 1,9
Model: ZB
Oznaczenie silnika: Z19DT
Gender:
Wiek: 58

#629 Post autor: Pszczyna »

RESOR PRZEDNI, KOMPLET (IDENT CN) (WYJĄWSZY PAKIET NA ZŁE DROGI) (NR PRODUKCYJNY 13199450)
Kod OEM: 312290
KAMOKA 2110208
KYB RH3314
SACHS 998 738
MAXGEAR 60-0904D
KILEN 20091
OYODO 30A9078-OYO
MONROE SP3416
BILSTEIN 37-161798
FEBI BILSTEIN 104722
EIBACH R10273
TRW JCS1236
MAXGEAR 60-0904
H465 856
YSPARTS YS-CS0004
DACO 802790

Pierścień zabezpieczenia 4 sztuki OE 0344565
Poduszka amortyzatora Topran - Swag OE 0344543
Łożysko amortyzatora OE 0344665
Odbojniki i osłony PK 164
checkengine
Posty: 2
Rejestracja: 13 cze 2024, 22:33
Imię: Wojtek
Lokalizacja: Poznań
Auto: Zafira B 1.9 CDTI 150KM
Model: ZB
Oznaczenie silnika: Z19DTH

#630 Post autor: checkengine »

@Pszczyna bardzo Tobie dziękuję! To duża pomoc. :)
ODPOWIEDZ

Wróć do „Podwozie”